Type-c 14PIN侧插母座

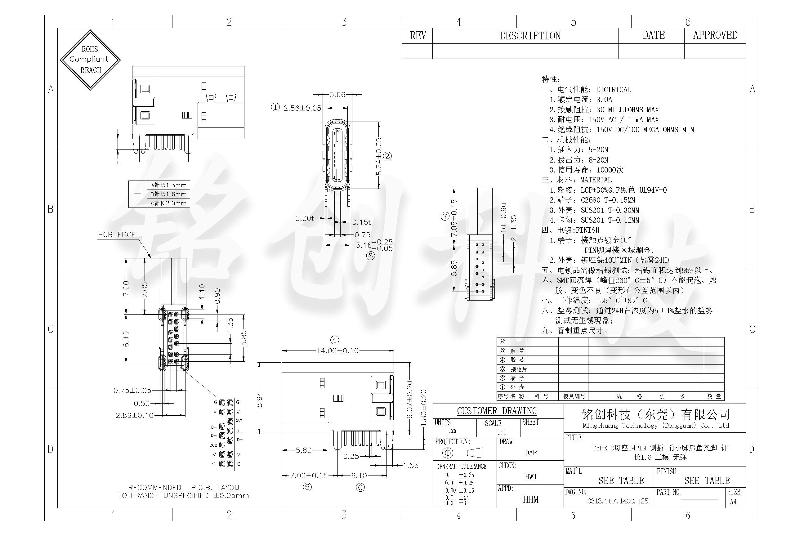
TYPE C母座14PIN 侧插 前小脚后鱼叉脚 针长1.6 三模 无弹 304 黄铜 LCP

TYPE C 母座 14PIN 侧插 前小脚后鱼叉脚 针长 1.6 三模 无弹 304 黄铜 LCP采用侧插式设计(CH=8.5mm),前 2 脚为 0.8mm 小脚(SMT 贴片)、后 12 脚为鱼叉脚(插板焊接),适配高密度 PCB 边缘布局。14PIN 支持 USB3.1 GEN2(10Gbps)数据传输及 PD 3.0(100W)快充,三模成型工艺(冲压 + 注塑 + 组装)确保针脚精度(公差 ±0.015mm)。304 不锈钢外壳抗腐蚀(盐雾测试 72 小时),黄铜端子镀金 3μm,LCP 绝缘体耐 260℃高温,适用于工业控制、消费电子等复杂场景。

  • 产品详情
  • 产品合规性
  • 注意事项
  • 在线询价

    0313.TCF.14CC.J25  TYPE C母座14PIN 侧插不垫高 前小脚后鱼叉脚   -模型.jpg

    1. 行业认证

    • USB-IF 认证:通过 USB3.1 GEN2 及 USB PD 3.0 认证(TID No.XXXX),支持 USB Type-C 规范 R2.1,兼容主流操作系统(Windows/macOS/Linux)。

    • 安全认证

    • UL 498 认证(文件号 EXXXXXX):耐压测试 1500V AC/1min 无击穿,端子绝缘强度≥500V DC。

    • IEC 62368-1 合规:符合音视频设备安全标准,外壳接地电阻≤50mΩ。

    • 环保认证

    • RoHS 2.0/REACH SVHC 合规:无铅、无卤素,LCP 材料可回收利用率≥90%。

    • ISO 14001 环境管理体系认证:生产过程废水 / 废气排放符合 GB 24694-2009 标准。

    1. 可靠性测试

    • 环境测试

    • 盐雾测试:5% NaCl 溶液,72 小时,外壳 / 端子无锈蚀(评级≥8 级,GB/T 10125-2021)。

    • 温度循环:-40℃至 85℃,1000 次循环,接触电阻变化≤8%,LCP 绝缘体无裂纹。

    • 机械测试

    • 振动测试:10-2000Hz,20g 加速度,持续 2 小时,焊点无开裂(IPC-A-610E 3 级标准)。

    • 插拔寿命:5000 次后接触电阻≤40mΩ,外壳变形量≤0.1mm。





    如需更多产品信息或技术支持,请通过以下方式联系我们:  


    - 热线电话:13310802726  


    - 电子邮箱:mc13310802726@163.com  


    1. 安装规范

    • 焊接参数

    • SMT 部分:回流焊温度 250±5℃,预热时间 90-120 秒(150-200℃),避免 LCP 局部过热(耐温阈值 260℃)。

    • 鱼叉脚部分:波峰焊温度 260±5℃,焊接时间 3-5 秒,建议使用含银焊锡(Sn96.5Ag3.0Cu0.5)提升焊点强度。

    • PCB 设计

    • 前小脚焊盘:宽度 0.6mm,长度 1.2mm,间距公差 ±0.03mm。

    • 后鱼叉脚焊盘:孔径 0.8mm,孔间距 2.0mm,接地引脚需连接≥20mm² 覆铜区域。

    • 定位要求:使用治具确保母座与 PCB 边缘垂直,偏差角度≤1°,避免侧插时引脚受力不均导致断裂。

    1. 使用环境

    • 温湿度范围:工作温度 - 40℃至 85℃,存储温度 - 50℃至 90℃,湿度≤85% RH(无冷凝)。

    • 禁忌场景:禁止在强酸碱(pH<4 或 pH>10)、高浓度粉尘(>200mg/m³)或强磁场(>100mT)环境中长期使用。

    1. 维护建议

    • 定期检查:每季度通过 AOI 设备检测焊点完整性,使用万用表测量接触电阻(正常≤30mΩ)。

    • 清洁保养:使用无水酒精(纯度≥99%)擦拭端子表面,禁用含氯溶剂(如香蕉水),避免损伤镀金层。

    • 长期存储:未装机母座需密封于防静电袋(湿度≤50%),存储周期≤2 年,防止 LCP 吸潮及端子氧化。

    1. 兼容性提示

    • 协议匹配:需搭配支持 USB3.1 GEN2 的主控芯片(如瑞萨 RAA227001),确保高速数据与 PD 快充功能正常。

    • 公头选择:优先使用带金属外壳的 TYPE C 公头(如 USB-IF 认证产品),确保屏蔽层与母座外壳可靠接地(接触电阻≤10mΩ)。





    如需更多产品信息或技术支持,请通过以下方式联系我们:  


    - 热线电话:13310802726  


    - 电子邮箱:mc13310802726@163.com  


    如果您有任何特殊要求或需要前期咨询的问题。请填写以下表格,我们会尽快让专员与您取得联系。
E-mail

在线咨询

服务时间:周一至周日

电话

24小时服务热线

13310802726

微信

kfewm.jpg

扫码关注微信

Top

Consult