Type-c 16PIN防水母座

防水TYPE C母座16PIN 沉板1.4双外壳 L=7.45

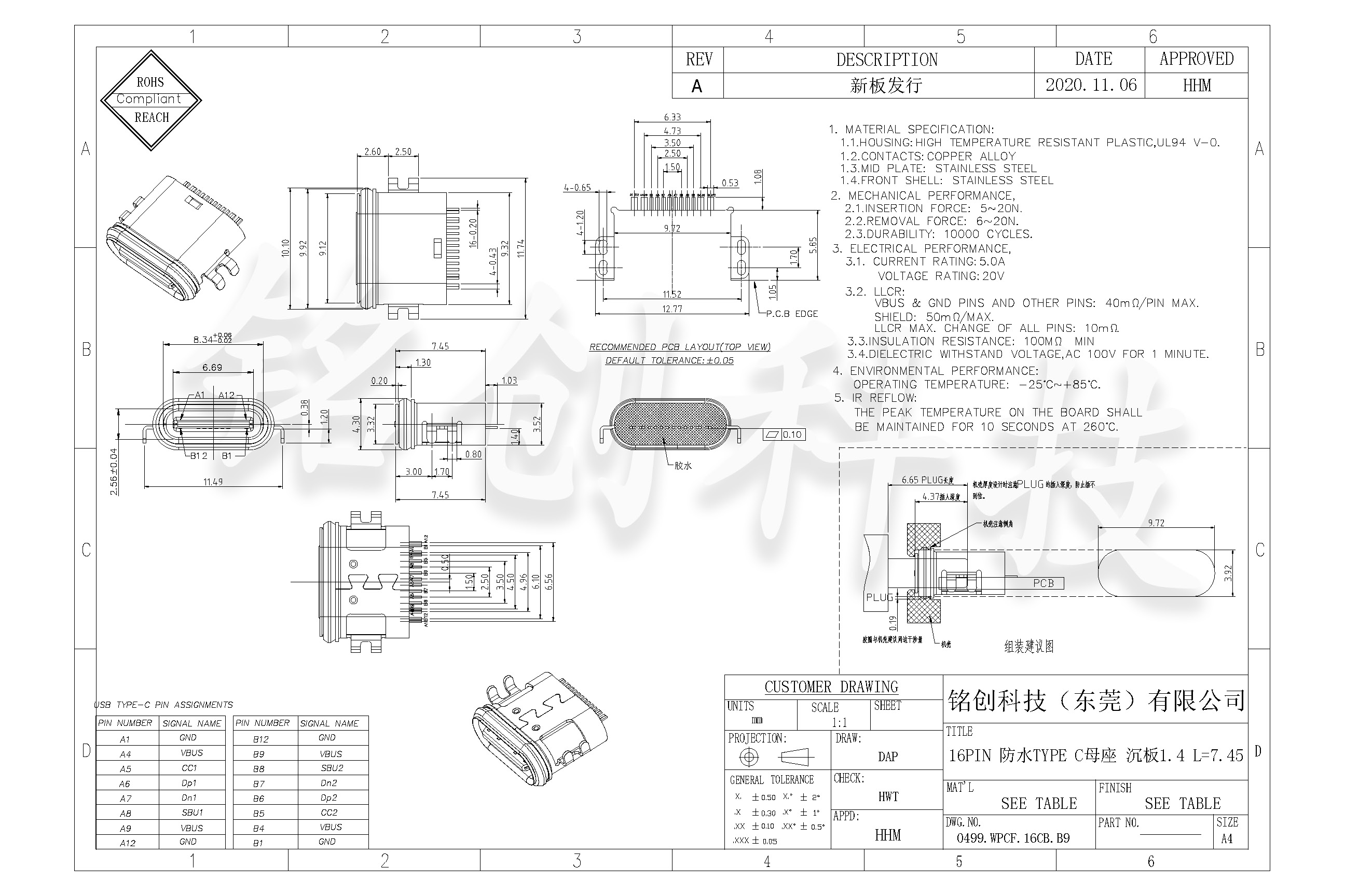
防水 TYPE C 母座 16PIN 沉板 1.4 双外壳 L=7.45是专为户外及工业环境设计的高可靠性连接器,支持 USB2.0(480Mbps)及 PD 3.0(60W)快充。16PIN 布局整合电源、接地及协议信号,沉板 1.4mm 设计(板下高度 1.4mm)适配 1.0-1.6mm PCB。双外壳结构(内层锌合金 + 外层不锈钢)通过无缝拉伸成型,搭配双密封圈(内圈氟橡胶 + 外圈硅橡胶)实现 IPX7 防水等级(1 米水深浸泡 30 分钟无渗透)。SMT 焊接支持回流焊(温度≤260℃),整体长度 7.45mm,插拔寿命≥8000 次,适用于车载电子、户外设备等对防水和耐候性要求高的场景。

  • 产品详情
  • 产品合规性
  • 注意事项
  • 在线询价

    0499.WPCF.16CB.B9 16PIN 防水TYPE C母座 沉板1.4 L=7.45-模型.jpg

    1. 行业认证
      • USB-IF 认证:符合 USB PD 3.0 及 USB 2.0 标准,支持 5V/3A、9V/2A 快充协议。

      • 安全认证:通过 UL 498 测试,耐压 1000V AC/1min 无击穿,端子拉力≥5N,符合 GB 4943.1 安全规范。

      • 环保认证:RoHS 2.0/REACH 合规,LCP 材料可回收,生产过程通过 ISO 14001 认证。

    2. 可靠性测试
      • 环境测试:-40℃至 85℃高低温循环 500 次,接触电阻变化≤8%;95% RH 湿度存放 48 小时,绝缘电阻≥500MΩ。

      • 防水测试:IPX7 标准(1 米水深浸泡 30 分钟),泄漏量≤0.1mL/min;IPX9K 标准(80℃高压喷水),外壳无变形。




    如需更多产品信息或技术支持,请通过以下方式联系我们:  


    - 热线电话:13310802726  


    - 电子邮箱:mc13310802726@163.com  


    1. 安装规范
      • 焊接参数:回流焊温度 250±5℃,手工焊≤320℃,焊接时间≤3 秒,避免 LCP 过热变形。

      • PCB 设计:焊盘间距公差 ±0.05mm,电源层建议覆铜≥20mm²,信号层与电源层间距≥0.3mm。沉板区域需预留 1.4mm 深度,板上高度 2.1mm,避免与其他元件干涉。

      • 定位要求:使用治具确保夹板垂直,倾斜角度≤1.5°,防止引脚受力不均断裂。

    2. 使用环境
      • 温湿度范围:工作温度 - 20℃至 85℃,存储温度 - 30℃至 90℃,湿度≤85% RH(无冷凝)。

      • 禁忌场景:避免在强电磁环境(>50mT)、高频振动(>20g)或医疗级抗干扰场景使用。

    3. 维护建议
      • 定期检查:每季度目视密封圈是否老化,使用万用表测量 VBUS/GND 接触电阻(≤30mΩ)。

      • 清洁保养:用无水酒精擦拭端子,禁用尖锐工具,防止镀镍层磨损(厚度≥50μ”)。

      • 长期存储:密封于防静电袋(湿度≤60%),避免外壳与酸性物质接触,存储周期≤2 年。

    4. 兼容性提示
      • 功能限制:无高速信号引脚,不适用于 USB3.0 以上传输场景。

      • 设备匹配:适配不带金属外壳的 TYPE C 公头,全功能公头可能因接地悬空引发轻微干扰(概率<5%)。




    如需更多产品信息或技术支持,请通过以下方式联系我们:  


    - 热线电话:13310802726  


    - 电子邮箱:mc13310802726@163.com  


    如果您有任何特殊要求或需要前期咨询的问题。请填写以下表格,我们会尽快让专员与您取得联系。
E-mail

在线咨询

服务时间:周一至周日

电话

24小时服务热线

13310802726

微信

kfewm.jpg

扫码关注微信

Top

Consult