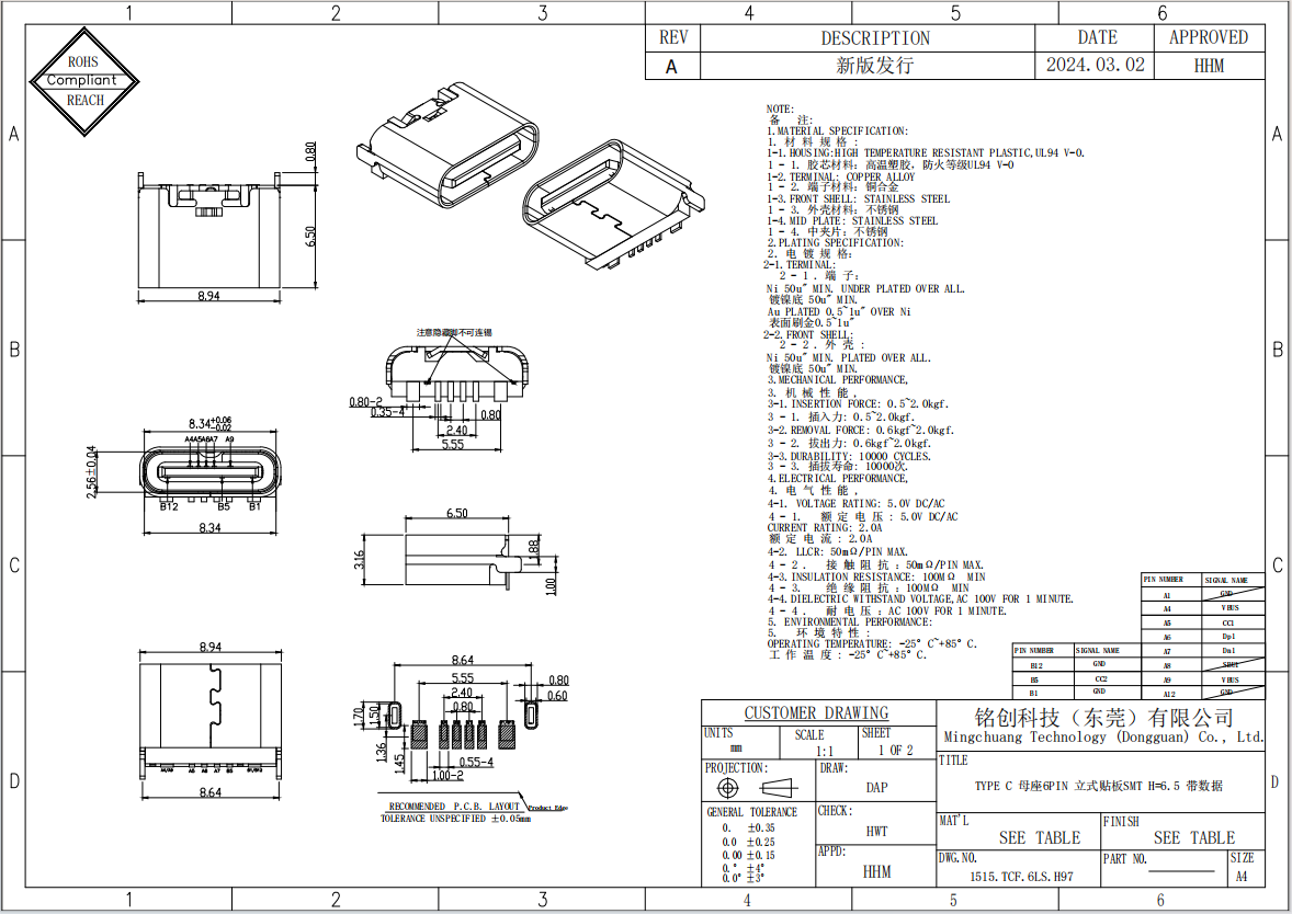
Type-c 6PIN立式母座

Type-C母座 6Pin 立贴 L=6.5 支持数据传输 不锈钢 黄铜 USB接口

产品简介

这款Type-C母座采用6Pin设计,立贴SMT安装方式,长度为6.5mm,支持数据传输。该产品采用不锈钢和黄铜材料,提供优异的机械强度和耐用性,确保长期稳定的USB接口连接,广泛适用于各种电子设备。


  • 产品详情
  • 产品合规性
  • 注意事项
  • 在线询价

    afc59330-961a-441c-8273-b93425a3e92f.png

    产品描述:  

    本产品是一款高性能的Type-C USB母座,采用6Pin接口,立贴设计,适用于USB数据传输。其外壳由不锈钢和黄铜材质构成,确保更强的耐用性和更好的电气性能。该产

    品广泛应用于消费电子、工业设备和通信领域,支持高速稳定的数据传输。  


    主要特点:  

    1. 支持数据传输:  

       该产品支持高速数据传输,符合USB接口标准,适用于多种电子设备的连接需求。  


    2. 6Pin接口设计:  

       采用6Pin接口设计,确保数据传输的高效性和稳定性,满足USB标准。  


    3. 立贴设计:  

       立贴安装方式简化了生产和安装过程,适合自动化生产线。  


    4. 不锈钢和黄铜材质:  

       外壳采用不锈钢和黄铜,增强了产品的耐用性和抗干扰能力。  


    5. 高兼容性:  

       适用于广泛的设备和行业,特别是消费电子和工业设备领域。  


    合规性声明:  

    本产品严格遵守国际及行业认证标准,确保其在安全和环保方面的符合性:  

    1. ISO 9001质量管理体系认证:  

       确保产品在设计和生产过程中符合国际质量管理标准。  


    2. REACH认证:  

       符合欧盟化学品注册、评估、授权和限制法规,确保材料无害且环保。  


    3. RoHS认证:  

       遵守欧盟电子电气设备中有害物质限制指令,确保产品不含有害物质,保障用户健康。  


    联系信息:  

    - 热线电话: 13310802726  

    - 电子邮箱: mc13310802726@163.com  

    - 公司地址: 广东省东莞市大岭山镇  


    如有任何问题或需要进一步了解,请随时联系我们,我们将为您提供专业支持。


    Type-C母座 6Pin 立贴 L=6.5 支持数据传输 不锈钢 黄铜 USB接口 使用注意事项:  


    1. 安装与焊接:  

       - 安装前,请确保焊接区域干净无油污或灰尘,确保焊接质量。  

       - 焊接温度应控制在推荐范围内,避免高温损坏内部组件。  

       - 插座安装时,确保插座与电路板正确对接,并牢固焊接,避免松动。  


    2. 电气性能:  

       - 本产品支持高速数据传输,兼容USB 3.1标准,可提供高达10Gbps的传输速度。  

       - 使用不锈钢和黄铜材质,具有较好的耐腐蚀性和耐磨性,确保长期稳定工作。  


    3. 插拔操作:  

       - 插拔时应轻柔操作,避免用力过猛损坏插座。  

       - 确保插头与插座对齐,防止插入时发生错位或损坏。  


    4. 材料特性:  

       - 产品外壳采用不锈钢材质,具有较好的抗腐蚀性和抗氧化性。  

       - 针脚采用高导电性黄铜材料,保证稳定的电气连接。  


    5. 应用环境:  

       - 本产品适用于消费电子、计算机、通信设备等需要高速数据传输的设备。  

       - 避免在高温或潮湿的环境中长期使用,以确保稳定性能。  


    6. 储存条件:  

       - 未使用的产品应存放在干燥、通风的环境中,避免阳光直射。  

       - 请避免存放于极端温度环境中,以防材料老化或性能下降。  


    如需更多产品信息或技术支持,请通过以下方式联系我们:  

    - 热线电话:13310802726  

    - 电子邮箱:mc13310802726@163.com


    如果您有任何特殊要求或需要前期咨询的问题。请填写以下表格,我们会尽快让专员与您取得联系。
E-mail

在线咨询

服务时间:周一至周日

电话

24小时服务热线

13310802726

微信

kfewm.jpg

扫码关注微信

Top

Consult