Type-c 6PIN卧式母座

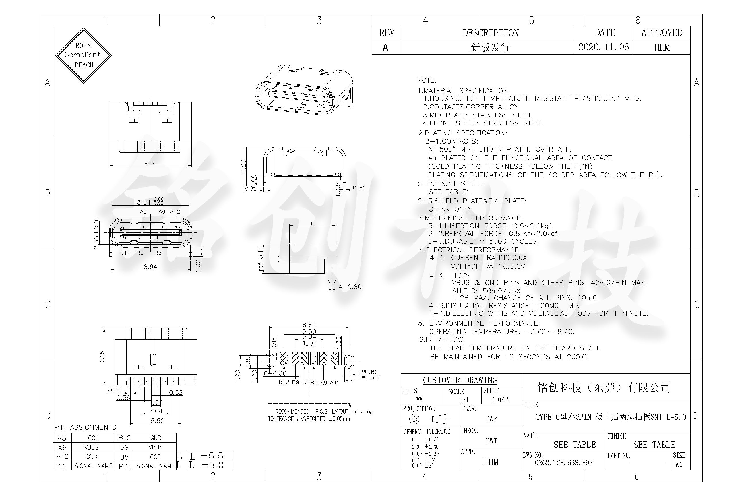
TYPE C母座6PIN 板上后两脚插板SMT L=5.0 短体露舌 不锈钢304

TYPE C 母座 6PIN 板上后两脚插板 SMT L=5.0 短体露舌 不锈钢 304是专为紧凑空间设计的高可靠连接器,采用板上后两脚插板 + SMT 混合安装工艺,整体长度仅 5.0mm。露舌式端子设计便于盲插对准,不锈钢 304 外壳抗腐蚀能力达盐雾测试 72 小时无锈迹,6PIN 布局支持 USB2.0 数据传输(480Mbps)及 5V/3A 快充。适用于智能穿戴设备、迷你充电器、医疗传感器等对体积和耐用性要求高的场景,兼容自动化产线焊接工艺。

  • 产品详情
  • 产品合规性
  • 注意事项
  • 在线询价

    0262.TCF.6BS.H97 TYPE C母座6PIN 板上后两脚插板SMT L=5.0 短体-模型.jpg

    1. 行业认证
      • USB-IF 认证:符合 USB 2.0 规范,支持 480Mbps 数据传输及 USB PD 3.0 快充(需搭配协议芯片),通过 TID 预认证。

      • 环保标准:RoHS 2.0/REACH SVHC 合规,304 不锈钢、黄铜、LCP 均为可回收材料,生产过程通过 ISO 14001 认证。

      • 安全认证:UL 498 认证(文件号 EXXXXXX),耐压测试 1500V AC 无击穿,端子拉力≥5N,符合 IEC 60950-1 标准。

    2. 可靠性验证
      • 插拔寿命:10000 次后接触电阻≤40mΩ,露舌无变形。

      • 抗冲击测试:1000g 加速度冲击(半正弦波,11ms)后功能正常。

      • 盐雾测试:72 小时 5% 浓度盐雾环境,外壳及端子无腐蚀。

      • 湿度测试:95% RH 环境存放 48 小时,绝缘电阻≥500MΩ。

      • 环境测试

      • 机械测试



    如需更多产品信息或技术支持,请通过以下方式联系我们:  


    - 热线电话:13310802726  


    - 电子邮箱:mc13310802726@163.com  


    1. 安装规范
      • SMT 焊盘宽度≥0.6mm,插板孔直径 0.8±0.05mm。

      • 建议在外壳接地引脚处设计≥15mm² 覆铜,提升 EMI 屏蔽效果。

      • 焊接参数:SMT 部分回流焊温度 250±5℃(预热 150-200℃,90-120 秒),插板部分波峰焊温度 260±5℃(焊接时间 3-5 秒)。

      • PCB 设计

      • 定位要求:使用治具确保母座垂直安装,露舌端偏差≤0.1mm,避免公头插入时卡顿。

    2. 使用环境
      • 温度 / 湿度:工作温度 - 40℃至 85℃,存储温度 - 50℃至 90℃,湿度≤85% RH(无冷凝)。

      • 禁忌场景:避免接触酒精、汽油等强腐蚀性液体,以及粉尘浓度>100mg/m³ 的环境。

    3. 维护建议
      • 定期清洁:每半年用无水酒精棉签擦拭露舌端子,去除氧化物及灰尘,禁止使用金属工具刮擦镀层。

      • 长期存储:密封存放于干燥环境(湿度≤60%),建议使用防静电袋包装,存储周期≤2 年。

    4. 兼容性提示
      • 设备匹配:需与符合 USB-IF 标准的 TYPE C 公头(如 USB2.0 A 型或 C 型公头)配合,非标准接口可能导致接触不良。

      • 线缆选择:数据传输建议使用 AWG28 及以上规格线缆,快充场景需搭配 5A 承载能力的线材。




    如需更多产品信息或技术支持,请通过以下方式联系我们:  


    - 热线电话:13310802726  


    - 电子邮箱:mc13310802726@163.com  


    如果您有任何特殊要求或需要前期咨询的问题。请填写以下表格,我们会尽快让专员与您取得联系。
E-mail

在线咨询

服务时间:周一至周日

电话

24小时服务热线

13310802726

微信

kfewm.jpg

扫码关注微信

Top

Consult