Type-c 防水母座系列

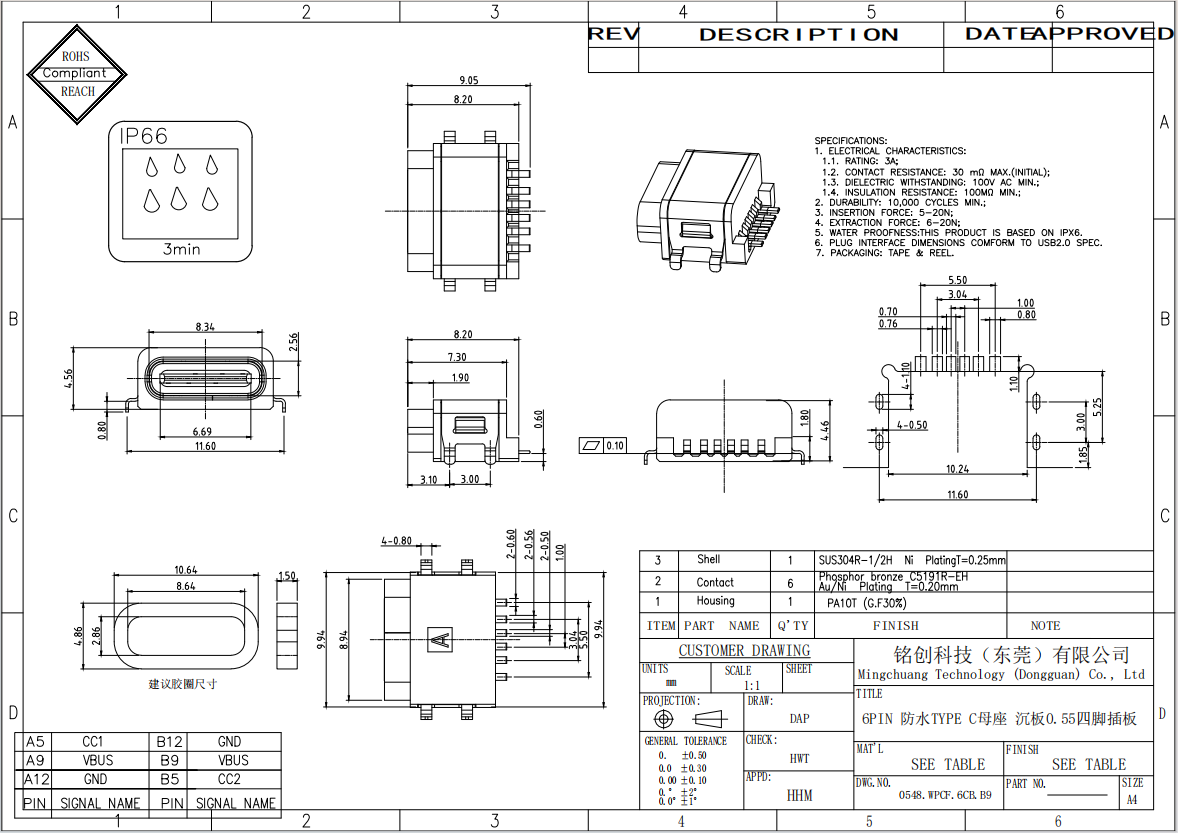
防水Type-C母座 6Pin 沉板0.55 四脚插板 USB接口

产品简介

这款防水Type-C母座采用6Pin设计,沉板安装方式,深度为0.55mm,配有四脚插板,符合USB接口标准。产品具有出色的防水性能,适用于多种严苛环境的电子设备。


  • 产品详情
  • 产品合规性
  • 注意事项
  • 在线询价

    1. 产品简介

    这款防水Type-C母座采用6Pin设计,沉板安装方式,深度为0.55mm,配有四脚插板,符合USB接口标准。产品具有出色的防水性能,适用于多种严苛环境的电子设备。


    2. 产品特点


    2.1 防水设计

    支持防水功能,能够在潮湿或多水环境中正常使用,提升设备可靠性。


    2.2 6Pin设计

    简化电气设计,支持稳定数据传输和电流传递,适合低功耗应用。


    2.3 沉板安装方式

    沉板深度为0.55mm,安装牢固,节省空间,适用于高密度设计。


    2.4 四脚插板结构

    提供更强的机械稳定性和耐用性,确保长期使用中的连接可靠性。


    3. 技术规格


    3.1 接口类型:USB Type-C

    3.2 针脚数:6Pin

    3.3 安装方式:沉板0.55

    3.4 固定脚:四脚插板

    3.5 接口标准:USB

    3.6 防护等级:IPX7

    3.7 接触电阻:≤30mΩ

    3.8 绝缘电阻:≥100MΩ

    3.9 工作温度:-40℃ ~ +85℃


    4. 应用领域


    4.1 消费电子 智能手机、平板电脑、耳机等

    4.2 工业设备 数据传输设备、工业控制器

    4.3 户外设备 防水通信设备、运动相机


    5. 联系我们


    服务热线: 13310802726

    邮箱: mc13310802726@163.com

    地址: 广东省东莞市大岭山镇


    产品描述:  

    本产品是一款高性能防水Type-C USB母座,采用6Pin接口设计,沉板0.55mm结构,并配有四脚插板。产品符合高防护等级要求,适用于需要防水性能的设备,如

    消费电子、户外设备和工业应用等。  


    主要特点:  

    1. 防水设计:  

       防水结构设计,适应恶劣环境,为设备提供可靠保护。  


    2. 6Pin接口:  

       支持基本的数据传输和电源连接,满足常规设备需求。  


    3. 沉板0.55mm设计:  

       提供稳定的机械和电气性能,确保可靠连接。  


    4. 四脚插板结构:  

       提供更强的固定和支撑能力,增强连接的耐用性。  


    5. 适用广泛:  

       紧凑的设计,适合多种应用场景,包括便携式设备和嵌入式设备。  


    合规性声明:  

    本产品严格遵守国际及行业认证标准,确保其在安全和环保方面的符合性:  

    1. ISO 9001质量管理体系认证:  

       确保产品在设计和生产过程中符合国际质量管理标准。  


    2. REACH认证:  

       符合欧盟化学品注册、评估、授权和限制法规,确保材料无害且环保。  


    3. RoHS认证:  

       遵守欧盟电子电气设备中有害物质限制指令,确保产品不含有害物质,保障用户健康。  


    联系信息:  

    - 热线电话: 13310802726  

    - 电子邮箱: mc13310802726@163.com  

    - 公司地址: 广东省东莞市大岭山镇  


    如有任何问题或需要进一步了解,请随时联系我们,我们将为您提供专业支持。


    防水Type-C母座 6Pin 沉板0.55 四脚插板 USB接口 使用注意事项:  


    1. 安装与焊接:  

       - 焊接前确保焊接区域干净整洁,无任何污染物。  

       - 使用符合产品推荐温度范围的焊接工具,避免焊接时间过长导致元件损坏。  

       - 沉板设计需对准PCB焊盘,确保引脚与焊盘完全接触并焊接牢固。  


    2. 防水性能:  

       - 产品支持防水功能,适合潮湿或偶尔有水接触的环境。  

       - 安装时应确保防水结构无缺损,避免液体渗入影响使用性能。  

       - 在特殊环境中使用前建议进行防水测试,确认其防护效果。  


    3. 电气性能:  

       - 支持基本数据传输功能,符合USB标准要求。  

       - 高质量材料确保良好的导电性能,低接触电阻,满足长期稳定运行。  


    4. 插拔操作:  

       - 插拔操作需保持适度用力,避免用力过猛损坏接口或设备。  

       - 确保插入方向正确,避免因方向错误导致机械损伤或接触不良。  


    5. 材料与设计:  

       - 外壳采用耐用材料,具备较高的防腐蚀性能和结构稳定性。  

       - 精确设计的引脚和防水组件保证接口在恶劣环境下的稳定性和耐用性。  


    6. 应用场景:  

       - 广泛适用于消费电子、工业设备及户外电子设备中,尤其是对防水性能有需求的场景。  

       - 在高温、高湿或腐蚀性环境下长期使用时,需定期检查产品状态以确保性能。  


    7. 储存与运输:  

       - 存放于干燥、阴凉、通风良好的环境,避免阳光直射和高湿度环境。  

       - 运输过程中注意避免强烈冲击,确保产品防水结构和引脚完好无损。  


    如需更多信息,请联系我们:  

    - 热线电话:13310802726  

    - 电子邮箱:mc13310802726@163.com


    如果您有任何特殊要求或需要前期咨询的问题。请填写以下表格,我们会尽快让专员与您取得联系。