Type-c 防水母座系列

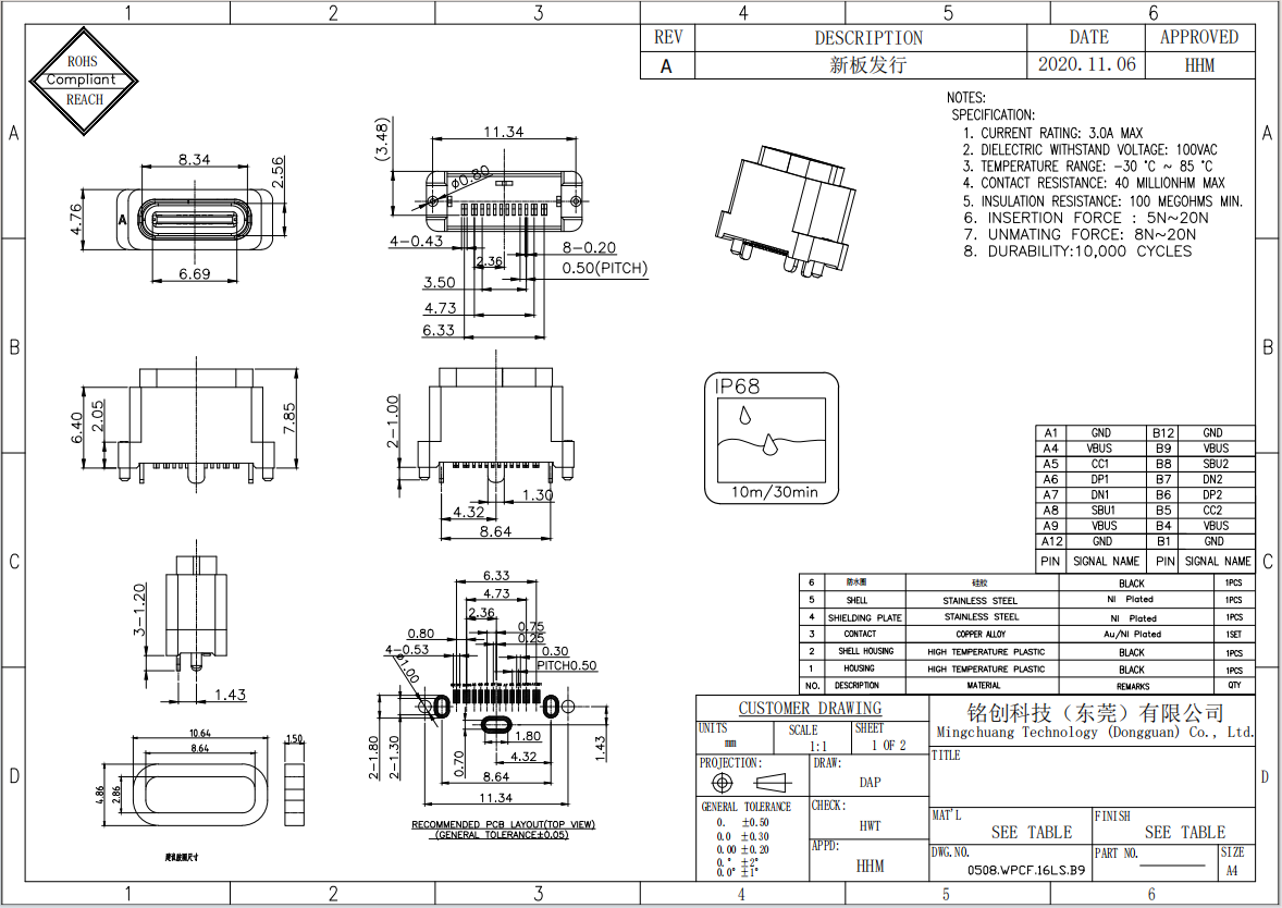
防水Type-C母座 16Pin 立贴 L=7.85 USB接口

产品简介

这款防水Type-C母座采用16Pin设计,立贴安装方式,长度为7.85mm,符合USB接口标准。特别设计的防水功能使其适用于潮湿或多水的环境中,能够有效防止水分进入,保证设备的稳定运行,广泛应用于户外设备、工业设备和消费电子产品。


  • 产品详情
  • 产品合规性
  • 注意事项
  • 在线询价

    1. 产品简介

    这款防水Type-C母座采用16Pin设计,立贴安装方式,长度为7.85mm,符合USB接口标准。特别设计的防水功能使其适用于潮湿或多水的环境中,能够有效防止水分进入,

    保证设备的稳定运行,广泛应用于户外设备、工业设备和消费电子产品。


    2. 产品特点


    2.1 防水设计

    本产品具有IPX7级防水性能,能够有效抵抗水的渗透,确保在雨天、潮湿环境等复杂条件下仍能稳定工作。防水特性大大提升了设备的使用寿命和可靠性,避免水分引起的

    故障。


    2.2 16Pin设计

    该Type-C母座设计了16个针脚,提供了高速的数据传输通道和大电流传输能力。支持USB 3.0和USB 2.0数据传输标准,能够为设备提供更高效的连接和电力供应。


    2.3 立贴安装方式

    采用立贴(SMT)表面贴装技术,安装简便且牢固。立贴设计能够节省板面空间,并为设备设计提供更多灵活性,适合高密度电路板设计。


    2.4 高质量接触材料

    该产品使用了高导电性能的铜材料,确保接触电阻低,数据传输和电流传输更加稳定。同时,采用防腐蚀处理,增强产品的耐用性,减少接触不良的风险。


    2.5 兼容性强

    该Type-C母座兼容USB 2.0和USB 3.0接口,适用于各种电子设备,具有较强的通用性。无论是智能手机、平板、USB外设,还是工业设备,都能够与其顺利配合。


    3. 技术规格


    3.1 接口类型:USB Type-C

    3.2 针脚数:16Pin

    3.3 安装方式:立贴(SMT表面贴装)

    3.4 长度:7.85mm

    3.5 接口标准:USB 2.0/3.0

    3.6 防护等级:IPX7

    3.7 接触电阻:≤30mΩ

    3.8 绝缘电阻:≥100MΩ

    3.9 工作温度:-40℃ ~ +85℃

    3.10 材料:不锈钢、铜合金

    3.11 适配电流:最大5A


    4. 应用领域


    4.1 消费电子

    适用于智能手机、平板电脑、USB外设(如键盘、鼠标、U盘等)。这款防水Type-C母座在这些设备中提供稳定、高效的数据和电力传输。


    4.2 工业设备

    广泛应用于工业数据传输设备、自动化控制系统中,尤其是需要防水性能和可靠连接的场景。


    4.3 户外设备

    适用于户外使用的电子产品,如运动相机、手持GPS设备、户外通信设备等。防水特性使其能够在恶劣天气条件下继续工作。


    5. 联系我们


    服务热线: 13310802726

    邮箱: mc13310802726@163.com

    地址: 广东省东莞市大岭山镇


    产品描述:  

    这款防水Type-C USB母座采用16Pin接口,立贴设计,长度为7.85mm,专为具有高防护需求的应用而设计。产品具有防水功能,能够在恶劣环境下提供稳定的连接。它

    广泛应用于消费电子、工业设备、汽车电子等领域,适用于USB接口的数据传输及电力连接。


    主要特点:  

    1. 防水设计:  

       该Type-C母座具有IPX7级防水能力,能够防止水分渗入,确保在潮湿或户外环境中使用时的可靠性。  


    2. 16Pin接口:  

       16Pin设计提供了稳定的信号传输和电源连接,能够支持USB数据和电力传输,满足各种设备需求。  


    3. 立贴设计:  

       立贴SMT(表面贴装技术)设计,方便自动化生产和高效安装,同时提供更高的连接稳定性。  


    4. 高耐用性:  

       采用高品质材料,具有出色的抗腐蚀性和耐用性,确保产品在长期使用中保持稳定的性能。  


    5. 紧凑尺寸:  

       产品设计紧凑,适用于空间有限的设备和产品,安装便捷,广泛应用于移动设备、工业设备、汽车电子等领域。  


    合规性声明:  

    本产品严格遵守国际及行业认证标准,确保其在安全和环保方面的符合性:  

    1. ISO 9001质量管理体系认证:  

       确保产品在设计和生产过程中符合国际质量管理标准。  


    2. REACH认证:  

       符合欧盟化学品注册、评估、授权和限制法规,确保材料无害且环保。  


    3. RoHS认证:  

       遵守欧盟电子电气设备中有害物质限制指令,确保产品不含有害物质,保障用户健康。  


    联系信息:  

    - 热线电话: 13310802726  

    - 电子邮箱: mc13310802726@163.com  

    - 公司地址: 广东省东莞市大岭山镇  


    如有任何问题或需要进一步了解,请随时联系我们,我们将为您提供专业支持。


    防水Type-C母座 16Pin 立贴 L=7.85 USB接口 使用注意事项:


    1. 安装与焊接:

       - 在焊接前,确保焊接区域清洁,无污染物,避免焊接过程中出现问题。

       - 焊接温度应符合推荐范围,避免过高温度损坏元器件。

       - 立贴设计需确保引脚与PCB焊盘对齐,焊接后检查每个引脚的焊点是否牢固。


    2. 防水性能:

       - 产品具有良好的防水功能,适合潮湿或偶有水接触的环境。

       - 安装时确保防水结构完整,无缺陷,以防止水分渗入导致电气故障。

       - 在长时间使用前,建议进行防水效果测试,确保符合IP标准要求。


    3. 电气性能:

       - 支持高效数据传输,符合USB接口标准,适合各种电子设备。

       - 高导电性材料确保低接触电阻,提供稳定的电气性能,保证长期稳定使用。


    4. 插拔操作:

       - 插拔时应避免过度用力,避免损坏接口或引脚。

       - 插入时确保方向正确,避免因方向错误导致的接触不良或机械损伤。


    5. 材料与设计:

       - 采用耐腐蚀不锈钢材质,提供良好的抗氧化性和长期使用的可靠性。

       - 精确设计的防水结构和引脚保障了产品在恶劣环境中的稳定性和耐用性。


    6. 应用场景:

       - 适用于消费电子、工业设备、户外电子设备等需要防水保护的场合。

       - 在高湿度、高温、腐蚀性气体等环境下使用时,请定期检查产品状况。


    7. 储存与运输:

       - 存放时应置于干燥、阴凉的环境,避免阳光直射和高湿度环境。

       - 运输过程中避免强烈撞击,确保产品防水结构和引脚完好无损。


    如需更多信息,请联系我们:

    - 热线电话:13310802726

    - 电子邮箱:mc13310802726@163.com


    如果您有任何特殊要求或需要前期咨询的问题。请填写以下表格,我们会尽快让专员与您取得联系。