Type-c 防水母座系列

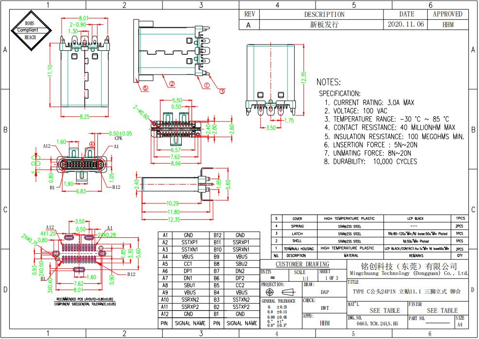
Type-C公头 24Pin 立贴 L=11.1 三脚立式 铆合 USB接口

产品简介

这款Type-C公头采用24Pin设计,立贴安装方式,长度为11.1mm,符合USB接口标准。配备三脚立式铆合结构,提供更稳定的连接性能,广泛应用于各种电子设备、工业设备和数据传输设备中。其设计确保了可靠的电气连接,并具备长寿命和优异的传输性能。


  • 产品详情
  • 产品合规性
  • 注意事项
  • 在线询价

    0465.TCM.24LS.H5 TYPE C公头24PIN 立贴11.1 三脚立式 铆合.png

    产品描述:  

    这款Type-C公头连接器采用24Pin接口,立贴设计,长度为11.1mm,三脚立式铆合结构,专为USB接口设备提供可靠的连接解决方案。该产品广泛应用于各种电子设备,

    支持高效的数据传输和电源连接。产品的铆合设计提高了连接的稳定性和耐用性,适用于各种自动化生产线和设备。  


    主要特点:  

    1. 24Pin接口:  

       提供24Pin设计,确保稳定的数据传输和电力连接,适用于USB接口的各种设备。  


    2. 立贴设计:  

       立贴SMT(表面贴装技术)设计,确保连接稳定,便于自动化生产和安装,提升工作效率。  


    3. 三脚立式铆合结构:  

       三脚立式铆合设计提高了连接器的机械稳定性,增强了连接的耐用性和可靠性,确保在恶劣环境下长期使用。  


    4. 高效数据传输:  

       支持USB接口标准的高速数据传输,满足现代电子设备对数据传输速率的需求。  


    5. 广泛应用:  

       适用于消费电子、工业设备、汽车电子等领域,支持各种USB设备的连接。  


    合规性声明:  

    本产品严格遵守国际及行业认证标准,确保其在安全和环保方面的符合性:  

    1. ISO 9001质量管理体系认证:  

       确保产品在设计和生产过程中符合国际质量管理标准。  


    2. REACH认证:  

       符合欧盟化学品注册、评估、授权和限制法规,确保材料无害且环保。  


    3. RoHS认证:  

       遵守欧盟电子电气设备中有害物质限制指令,确保产品不含有害物质,保障用户健康。  


    联系信息:  

    - 热线电话: 13310802726  

    - 电子邮箱: mc13310802726@163.com  

    - 公司地址: 广东省东莞市大岭山镇  


    如有任何问题或需要进一步了解,请随时联系我们,我们将为您提供专业支持。


    Type-C公头 24Pin 立贴 L=11.1 三脚立式 铆合 USB接口 使用注意事项:


    1. 安装与焊接:

       - 在焊接之前,确认焊接区域干净,避免灰尘、油污等影响焊接质量。

       - 使用合适的焊接设备,确保温度适中,防止过高温度对元器件造成损害。

       - 确保立贴引脚与PCB焊盘对齐,并检查焊接后的接触点是否牢固稳定。


    2. 电气性能:

       - 支持高速数据传输,符合USB接口标准,适合各种电子设备连接。

       - 引脚采用高导电性材料,确保低接触电阻,稳定的电气性能保证长时间使用的可靠性。


    3. 插拔操作:

       - 插拔时应避免过度用力,插拔过程中要轻拿轻放,防止引脚或连接器损坏。

       - 在插拔时,确保方向正确,避免因方向错误导致的接触不良或机械损伤。


    4. 铆合设计:

       - 铆合设计增强了连接器的牢固性,确保长时间使用过程中不松动,提供更加稳定的连接。

       - 安装时需要确保铆合部分与连接器完全对接,避免出现松动或不良接触。


    5. 材料与设计:

       - 采用不锈钢或高强度合金材料,外壳耐腐蚀、抗氧化,适应恶劣的环境条件。

       - 精密设计的立式引脚和防护结构保证了产品在各种环境下的稳定性。


    6. 应用场景:

       - 适用于消费电子、工业设备、汽车电子等需要稳定连接的领域。

       - 特别适合需要坚固连接的设备或高频率插拔的应用场景。


    7. 储存与运输:

       - 请将产品存放在干燥、阴凉的环境中,避免阳光直射和潮湿环境。

       - 运输时应避免剧烈碰撞,确保产品的铆合和插针部分不受损。


    如需更多信息,请联系我们:

    - 热线电话:13310802726

    - 电子邮箱:mc13310802726@163.com


    如果您有任何特殊要求或需要前期咨询的问题。请填写以下表格,我们会尽快让专员与您取得联系。
E-mail

在线咨询

服务时间:周一至周日

电话

24小时服务热线

13310802726

微信

kfewm.jpg

扫码关注微信

Top

Consult