Language

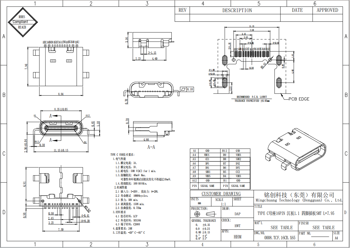
Type-c 16PIN sunken board female socket

Products

Contact Us

Type-C Female 16PIN Recessed 1.1mm PCB Mount SMT L=7.95 Triple Mode No Spring Brass LCP Manufacturer Direct

This Type-C female connector features a 16PIN design, supporting high-speed data transfer and fast charging. Its recessed 1.1mm design, PCB mount SMT installation, and L=7.95 size make it ideal for compact devices. The combination of brass material and LCP (liquid crystal polymer) housing ensures high strength and heat resistance. The triple mode no spring design further enhances connection stability and durability, widely used in consumer electronics, industrial equipment, and automotive electronics.

  • Description
  • Product Compliance
  • Precautions
  • Make an inquiry

    0008.TCF.16CB.X65 TYPE C母座16PIN 沉板1.1 四脚插板SMT L=7.95(MC)-模型.png

    Certifications: CE and RoHS certified, compliant with EU environmental and safety standards.


    USB-IF Certification: Supports USB Type-C standard protocols, ensuring compatibility and reliability.


    Eco-Friendly Materials: Uses lead-free materials, compliant with global environmental regulations.


    Quality Assurance: ISO9001 certified, ensuring consistent product quality.


    Installation Environment: Ensure a dry and dust-free environment to avoid affecting mounting.


    Soldering Temperature: Keep soldering temperature below 260°C to prevent damage to the LCP housing.


    Plugging Cycles: Although the product supports 10,000 plugging cycles, avoid frequent plugging to extend lifespan.


    Storage Conditions: Store in a dry, cool place, avoiding high temperature and humidity.


    Cleaning and Maintenance: Regularly clean the connector to avoid dust or debris affecting performance.


    If you have any special requirements or questions that require prior consultation. Please fill out the following form and we will have the specialist contact you as soon as possible.
E-mail

Online Service

Time: Monday to Sunday

Tel

Service Hotline

13310802726

WeChat

kfewm.jpg

Scan to follow

Top

Consult