Language

Type-c splint female seat series

Products

Contact Us

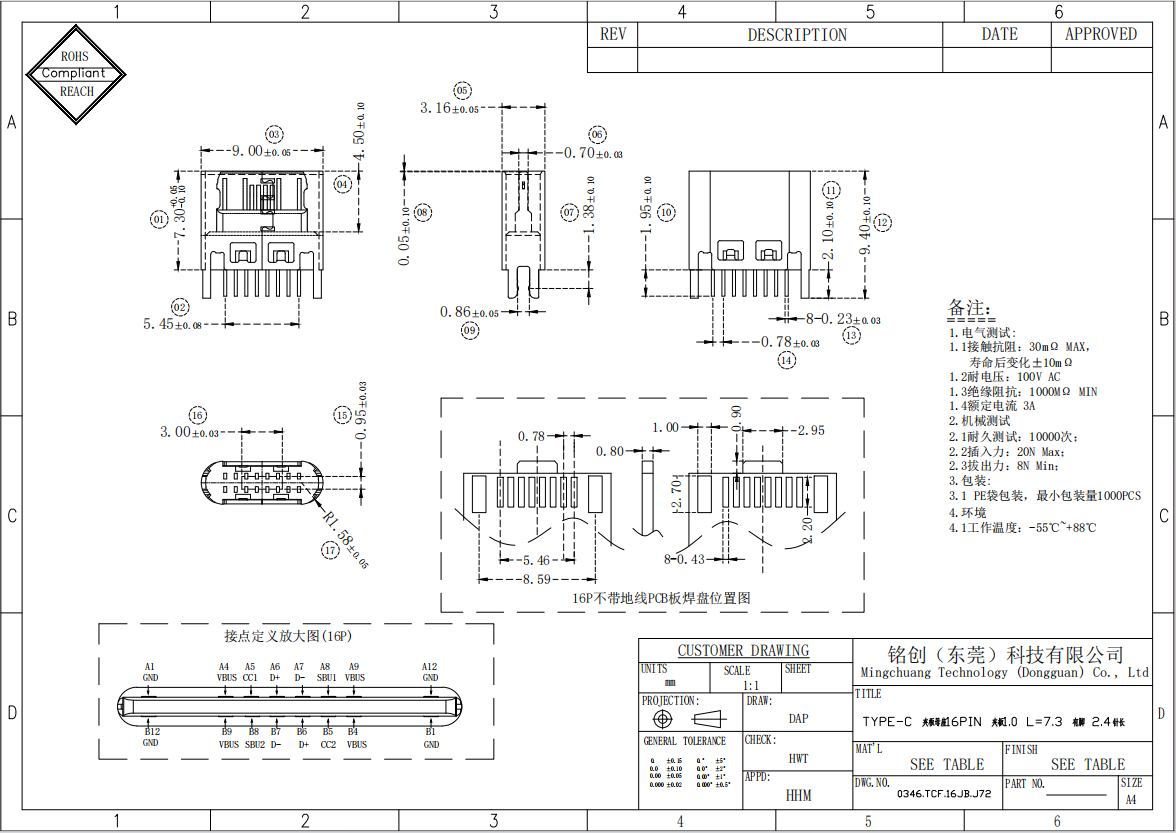
Type-C Female Connector 16PIN Clip 1.0 L=7.3 with Fork Pins Pin Length 2.4 USB Interface

Product Overview

This TYPE C 16PIN female connector with a 1.0mm clip, measuring 7.3mm in length, features a fishhook pin design with a 2.4mm pin length. It complies with the USB interface standard and is ideal for USB data transmission applications. The clip design ensures stable installation, while the fishhook pins enhance the connector’s firmness, ensuring reliable long-term use.


  • Description
  • Product Compliance
  • Precautions
  • Make an inquiry

    0346.TCF.16JB.J72 TYPE-C 夹板母座16PIN 夹板1.0 L=7.3 有脚 2.4针长-模型.png

    Product Description:  

    This TYPE C female connector features a 16PIN interface design, clamp installation, and fork pins with a 2.4mm pin length, suitable for USB connections 

    in various electronic devices. It complies with USB interface standards, supporting high-speed data transmission and power connection. The design ensures 

    a stable connection, and the fork pins provide good contact and enhance the reliability of the installation, making it ideal for consumer electronics, industrial 

    equipment, and other fields.  


    Key Features:  

    1. 16PIN Interface Design:  

       Equipped with a 16PIN interface, supporting high-speed data transmission and power connection to meet the needs of various devices.  


    2. Clamp 1.0 Design:  

       The clamp 1.0 design ensures a secure connection, suitable for automated production and efficient installation.  


    3. Fork Pin Structure:  

       The fork pin design ensures more reliable contact, improving the stability and durability of the connection.  


    4. 2.4mm Pin Length:  

       The 2.4mm pin length ensures stable power and signal transmission, guaranteeing long-term reliability.  


    5. High-Speed Data Transmission:  

       This product complies with USB interface standards, supporting high-speed data transmission and power connection to meet the needs of most devices.  


    Compliance Statement:  

    This product strictly adheres to international and industry certification standards, ensuring its compliance with safety and environmental regulations:  

    1. ISO 9001 Quality Management System Certification:  

       Ensures the product meets international quality management standards during design and production.  


    2. REACH Certification:  

       Complies with the EU chemicals registration, evaluation, authorization, and restriction regulations, ensuring the materials are safe and environmentally 

    friendly.  


    3. RoHS Certification:  

       Complies with the EU Restriction of Hazardous Substances (RoHS) directive, ensuring the product is free from harmful substances and promotes user 

    health.  


    Contact Information:  

    - Hotline: 13310802726  

    - Email: mc13310802726@163.com  

    - Address: Dalingshan Town, Dongguan City, Guangdong Province  


    If you have any questions or need further information, feel free to contact us, and we will provide professional support.


    TYPE C Female Connector 16PIN Clamp 1.0 L=7.3 with Forked Pins, Pin Length 2.4 USB Interface Usage Notes:


    1. Installation and Operation:

       - During installation, ensure the connector is correctly aligned with the PCB to avoid poor contact caused by improper soldering or misalignment.

       - When using the clamp connector, ensure the connector is properly aligned and securely fixed to avoid instability that may affect electrical performance.


    2. Electrical Performance:

       - This connector supports high-speed data transmission and provides stable electrical connections and signal transmission.

       - The forked pin design offers stronger connectivity, ensuring a solid electrical contact to prevent signal loss or unstable current due to poor contact.


    3. Soldering Precautions:

       - Control the soldering temperature and time carefully to avoid damaging the connector or causing cold solder joints due to excessive heat.

       - Pay attention to the amount of solder used during the soldering process to avoid short circuits or interference with the contact between the pins and PCB.


    4. Adaptability and Compatibility:

       - This connector supports the USB interface standard, compatible with USB 2.0/3.0 applications to ensure compatibility with various devices.

       - Ensure the plug and socket fit securely for stable electrical performance.


    5. Application Scenarios:

       - Suitable for consumer electronics, computers, industrial control, and other fields, particularly in applications requiring strong fixation and stable connections.

       - The forked pin design makes it especially suitable for high-frequency data transmission applications.


    6. Storage and Transportation:

       - Store in a dry, ventilated environment, avoiding humidity or extreme temperatures that may affect connector performance.

       - During transportation, avoid heavy impacts or shocks that may damage the connector pins or contact points.


    For more information, please contact us:

    - Hotline: 13310802726

    - Email: mc13310802726@163.com


    If you have any special requirements or questions that require prior consultation. Please fill out the following form and we will have the specialist contact you as soon as possible.
E-mail

Online Service

Time: Monday to Sunday

Tel

Service Hotline

13310802726

WeChat

kfewm.jpg

Scan to follow

Top

Consult