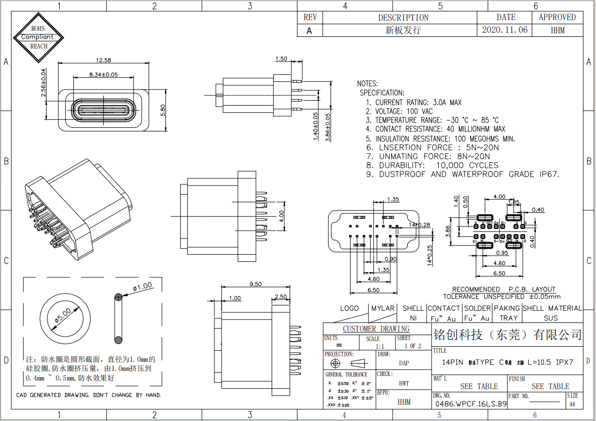
Type-c 14PIN防水母座

防水Type-C接口 14Pin立插 四脚插板 L=10.5 IPX7防水 USB母座

产品简介

此款防水Type-C接口采用14Pin设计,结合立插式结构与四脚插板安装方式,长度为10.5mm,具备优异的IPX7防水性能。产品广泛适用于需要高防护等级的消费电子、户外设备和工业应用场景。


  • 产品详情
  • 产品合规性
  • 注意事项
  • 在线询价

    0486.WPCF.16LS.B9 14PIN 防水TYPE C母座 立插 L=10.5 IPX7-模型.png

    产品描述:

    本产品是一款高性能防水Type-C USB母座,具有14Pin接口和四脚插板设计,符合行业标准,适用于需要防水保护的各种电子设备。其立插设计,具备IPX7防水等级,适合潮

    湿环境中使用,提供坚固、可靠的连接性能。


    主要特点:


    1. 防水性能:

       达到IPX7防水标准,可在1米水深下浸泡30分钟而不影响功能,确保设备长期在水环境中稳定运行。


    2. 接口设计:

       14Pin接口,支持高速数据传输,符合USB Type-C标准,适应不同设备连接需求。


    3. 四脚插板结构:

       提供稳定的安装方式,有效提升连接的稳定性和耐用性。


    4. 适用领域广泛:

       适用于消费电子、工业设备、汽车电子及其他需要防水性能的应用场景。


    合规性声明:

    本产品严格遵循国际和行业认证标准,确保在安全和环保方面的符合性:


    1. ISO 9001质量管理体系认证:

       确保从设计到生产的每一个环节都符合质量管理标准。


    2. REACH认证:

       符合欧盟化学品管理法规,确保产品材料安全、环保。


    3. RoHS认证:

       无有害物质超标,符合欧盟限制使用有害物质指令,保障用户健康和环境安全。


    4. IPX7防水认证:

       产品具备最高标准的防水性能,适用于严苛环境下使用。


    联系信息:

    - 热线电话: 13310802726

    - 电子邮箱: mc13310802726@163.com

    - 公司地址: 广东省东莞市大岭山镇


    1. 安装与焊接:

       - 安装时请确保焊接表面洁净,避免油污或灰尘影响焊接质量。

       - 焊接温度应控制在规定范围内,过高的温度可能会影响接口内部结构的稳定性。

       - 插座的四脚插板需牢固安装,以确保连接的可靠性和防水效果。


    2. 防水性能:

       - 本产品符合IPX7防水等级,能在1米水深中浸泡30分钟,适合室外或潮湿环境使用。

       - 请确保接口的密封性没有受到损伤,尤其是在频繁插拔或长期使用后,密封部位的完整性可能会受到影响。

       - 在强水流环境下使用时,请尽量避免水流直接冲击接口。


    3. 插拔操作:

       - 插拔时,请确保操作轻柔,避免插头与插座接触过于剧烈,以防损坏接触点。

       - 插拔时应遵循正向插拔,避免插头不对称插入接口,从而造成接口损坏或不良接触。

       - 插拔次数应控制在设计要求范围内,避免过度磨损。


    4. 电气性能:

       - 请在产品规定的电流和电压范围内使用,以保证正常工作并延长产品寿命。

       - 避免电流超载或电压异常,以防损坏接口及相关电路。


    5. 清洁与维护:

       - 如接口表面沾染水分或灰尘,请及时用干净、软布擦拭,避免使用化学清洁剂。

       - 定期检查接口密封圈、插脚等部件,确保没有破损或老化,保持防水性能。


    6. 应用环境:

       - 本产品适合在潮湿环境中使用,但不建议长期暴露在高温、高湿或腐蚀性强的环境中。

       - 尽量避免接口受到强烈机械冲击或划伤。


    7. 储存条件:

       - 未使用的产品应存放在干燥、阴凉、通风的环境中,避免阳光直射。

       - 请避免将产品存放在过高或过低温度的环境中,以免影响产品性能。


    如需进一步了解产品详情或技术支持,请通过以下方式联系我们:

    - 热线电话:13310802726

    - 电子邮箱:mc13310802726@163.com


    如果您有任何特殊要求或需要前期咨询的问题。请填写以下表格,我们会尽快让专员与您取得联系。
E-mail

在线咨询

服务时间:周一至周日

电话

24小时服务热线

13310802726

微信

kfewm.jpg

扫码关注微信

Top

Consult