Type-c 16PIN卧式母座

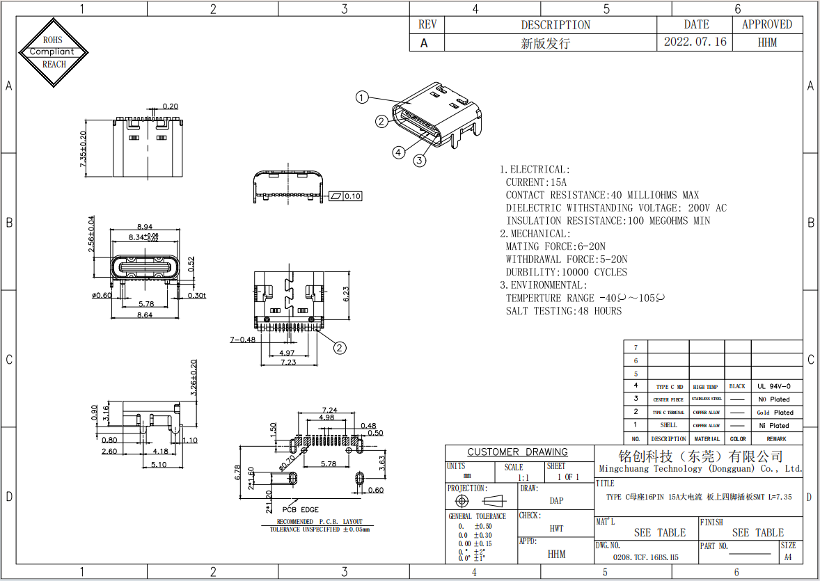
Type-C母座 16Pin 板上四脚插板 SMT L=7.35 15A大电流 高导铜 USB接口

产品简介

这款Type-C母座采用16Pin设计,板上四脚插板安装方式,支持SMT表面贴装,长度为7.35mm,支持高达15A电流,采用高导铜材料,符合USB接口标准。适用于高速数据传输和高功率设备,提供稳定、可靠的连接。


  • 产品详情
  • 产品合规性
  • 注意事项
  • 在线询价

    0208.TCF.16BS.H5 TYPE C母座16PIN 15A大电流 板上四脚插板SMT L=7.35(1).png

    产品描述:  

    本产品是一款高性能的Type-C USB母座,采用16Pin接口设计,板上四脚插板结构,符合USB标准,支持15A大电流传输,采用高导铜材料,有效提升电流承载能力。

    该产品设计紧凑,适用于高功率设备的数据传输,广泛应用于消费电子、工业设备、汽车电子等领域。  


    主要特点:  

    1. 支持15A大电流:  

       本产品支持15A大电流传输,适合高功率设备,确保安全高效的数据传输性能。  


    2. 16Pin接口设计:  

       16Pin接口支持高速数据传输,满足多种USB设备的连接需求。  


    3. 高导铜材料:  

       采用高导铜材料,有效提升电流承载能力,确保稳定的电流传输和降低热量积累。  


    4. 板上四脚插板结构:  

       板上四脚插板结构提供卓越的稳定性和耐用性,适用于高负载设备的长时间使用。  


    5. 广泛适配性:  

       适用于消费电子、工业设备和汽车电子等多种应用场景,确保产品的广泛兼容性。  


    合规性声明:  

    本产品严格遵守国际及行业认证标准,确保其在安全和环保方面的符合性:  

    1. ISO 9001质量管理体系认证:  

       确保产品在设计和生产过程中符合国际质量管理标准。  


    2. REACH认证:  

       符合欧盟化学品注册、评估、授权和限制法规,确保材料无害且环保。  


    3. RoHS认证:  

       遵守欧盟电子电气设备中有害物质限制指令,确保产品不含有害物质,保障用户健康。  


    联系信息:  

    - 热线电话: 13310802726  

    - 电子邮箱: mc13310802726@163.com  

    - 公司地址: 广东省东莞市大岭山镇  


    如有任何问题或需要进一步了解,请随时联系我们,我们将为您提供专业支持。


    Type-C母座 16Pin 板上四脚插板 SMT L=7.35 15A大电流 高导铜 USB接口 使用注意事项:  


    1. 安装与焊接:  

       - 焊接前请确保焊接区域清洁,无油污或杂质,以确保良好的焊接质量。  

       - 建议使用温控焊接设备,并保持焊接温度在推荐范围内,防止过热造成接口损坏。  

       - 在焊接时确保四个焊脚牢固焊接到PCB上,以确保稳定可靠的电气连接。  


    2. 电气性能:  

       - 本产品支持USB标准,最大支持15A电流,适用于大功率传输和高速数据传输需求。  

       - 高导铜材料使产品能够在大电流条件下稳定运行,确保长时间使用中的低电阻和良好导电性。  

       - 支持大电流传输时,确保接口不会因过载而过热或失效。  


    3. 插拔操作:  

       - 插拔时应轻柔操作,避免过度用力以防止插座或插头损坏。  

       - 插头插入时应确保对准插座,避免因插错导致接触不良或损坏。  


    4. 材料特性:  

       - 外壳采用高耐腐蚀材料,具有良好的抗氧化性和耐用性,适合长期使用。  

       - 引脚采用高导铜材料,保证在大电流条件下的稳定电气性能和低接触电阻。  


    5. 应用环境:  

       - 本产品适用于计算机、消费电子、通信设备等领域,尤其适合需要大电流传输的应用。  

       - 使用时避免在高温、高湿或腐蚀性环境中使用,以保证产品稳定性和长期可靠性。  


    6. 储存条件:  

       - 产品应存放于干燥、通风的环境中,避免阳光直射及潮湿环境。  

       - 请勿在极端温度下存储产品,以防止材料老化或性能下降。  


    如需更多产品信息或技术支持,请通过以下方式联系我们:  

    - 热线电话:13310802726  

    - 电子邮箱:mc13310802726@163.com


    如果您有任何特殊要求或需要前期咨询的问题。请填写以下表格,我们会尽快让专员与您取得联系。
E-mail

在线咨询

服务时间:周一至周日

电话

24小时服务热线

13310802726

微信

kfewm.jpg

扫码关注微信

Top

Consult