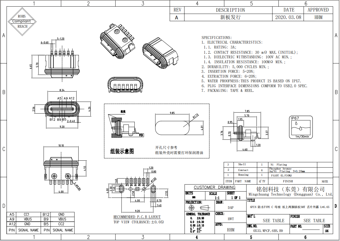
Type-c 6PIN防水母座

防水Type-C接口 6Pin插板SMT 两脚固定 舌片外露 L=5.7 IPX7防水 USB母座

产品简介:

铭创科技推出全新防水Type-C母座,采用6PIN设计,支持板上两脚插板SMT安装方式,舌片外露,长度为5.7mm。产品通过IPX7级防水认证,具备卓越的防水性能,适用于需要严苛环境耐受能力的设备,例如户外电子产品、智能穿戴设备和工业应用。


  • 产品详情
  • 产品合规性
  • 注意事项
  • 在线询价

    0533.WPCF.6BS.B9 6PIN 防水TYPE C 母座 板上两脚插板SMT 舌片外露 L=6.65 Model (1).png

    产品描述:

    本产品是一款符合市场需求的高性能防水Type-C母座,适用于各种需要防水设计的电子设备。其结构采用舌片外露设计,固定方式为两脚固定,确保安装牢固可靠。具有

    IPX7级防水性能,适用于潮湿和多水环境。


    主要特点:


    防水性能: 采用IPX7等级设计,能够在1米深的水中浸泡30分钟而保持正常功能,满足严苛的防水需求。

    高精度设计: 6Pin引脚设计,支持高效信号传输,符合USB Type-C标准。

    安装方式: 插板SMT设计,提供两脚固定方案,增强结构强度和稳定性。

    适用范围广: 广泛应用于智能家居设备、工业控制设备、便携式电子产品等需要防水性能的场景。

    合规性声明:

    本产品严格按照国际和行业标准设计与生产,满足以下认证和规范要求:


    ISO 9001质量管理体系认证: 生产过程符合质量管理体系要求,确保产品稳定性和可靠性。

    REACH认证: 符合欧盟《化学品注册、评估、授权和限制法规》要求,确保产品对环境和人体无害。

    RoHS认证: 遵守《电子电气设备中限制使用某些有害物质指令》,不含超标有害物质,保障用户安全。

    防水性能: IPX7级别设计,经过严格测试,确保卓越的防护性能。


    防水Type-C接口使用注意事项:


    安装与焊接:

    确保焊接过程中温度控制在推荐范围内,以避免损坏接口内部结构。

    插座固定脚的焊接需牢固,以保证结构稳定性。


    防水性能:

    本产品符合IPX7防水等级,能在1米水深中浸泡30分钟。但请确保产品正确安装,并且焊接部位密封完好,否则可能影响防水性能。

    避免长期处于高湿度或水下环境,尽管具备防水功能,长期暴露可能降低性能。


    插拔操作:

    插拔时,请沿插座方向直线操作,避免过度弯折或旋转,防止接口损坏。

    插拔次数需控制在产品设计范围内,以确保使用寿命


    清洁与维护:

    如果接口沾染水分或灰尘,请先清洁干燥后再使用,以免影响传输性能。

    禁止使用化学溶剂清洁接口,以防材料腐蚀。


    应用环境:

    避免在极端温度(如高于85°C或低于-40°C)或强腐蚀性环境中使用。

    请按照产品设计规范,在适用电流与电压范围内使用,避免过载。


    储存条件:

    未使用的产品应存放在干燥、通风的环境中,避免阳光直射、高温和潮湿。


    如果您有任何特殊要求或需要前期咨询的问题。请填写以下表格,我们会尽快让专员与您取得联系。
E-mail

在线咨询

服务时间:周一至周日

电话

24小时服务热线

13310802726

微信

kfewm.jpg

扫码关注微信

Top

Consult